Sanitrax- 400V Stator Sys

SAX-TM-400V-1-022-9

Features

Features

 

Specifications

Specifications

 

Downloads

Downloads

 

Where Used

Where Used

 

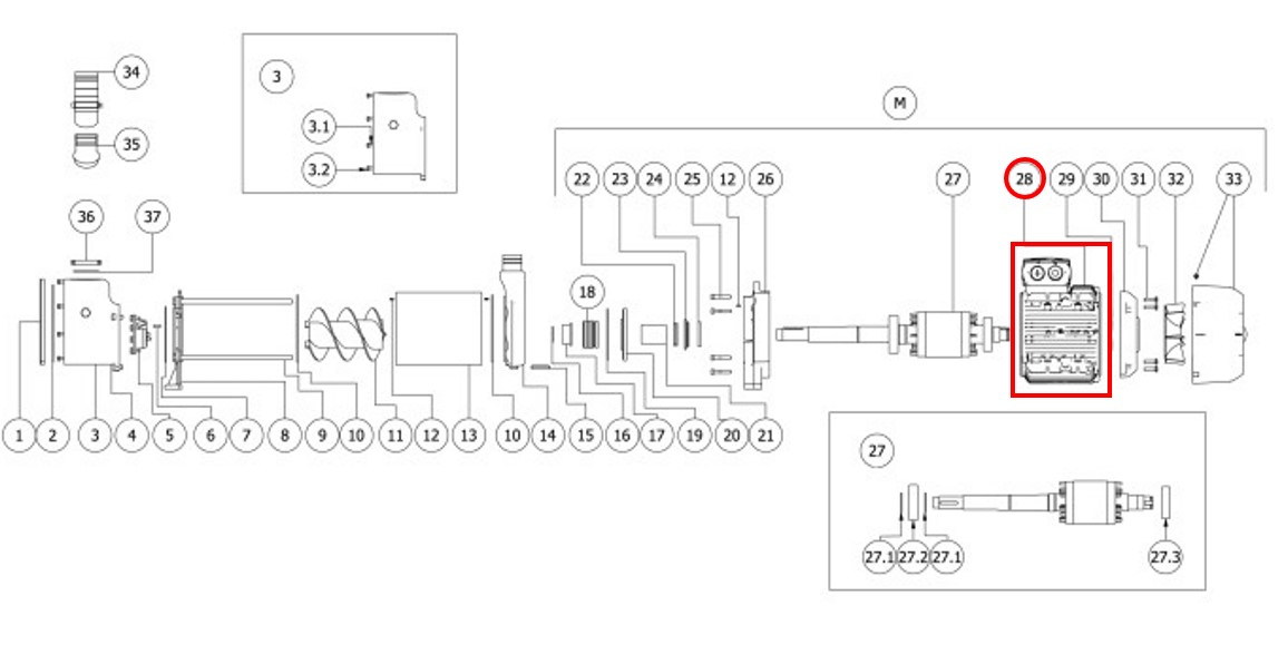
Schematic

Schematic

 

Para cima
Processing... Please wait.