Sanitrax- 480V Macerator

SAX-TM-480V-1-079

Features

Features

 

Specifications

Specifications

 

Downloads

Downloads

 

Where Used

Where Used

 

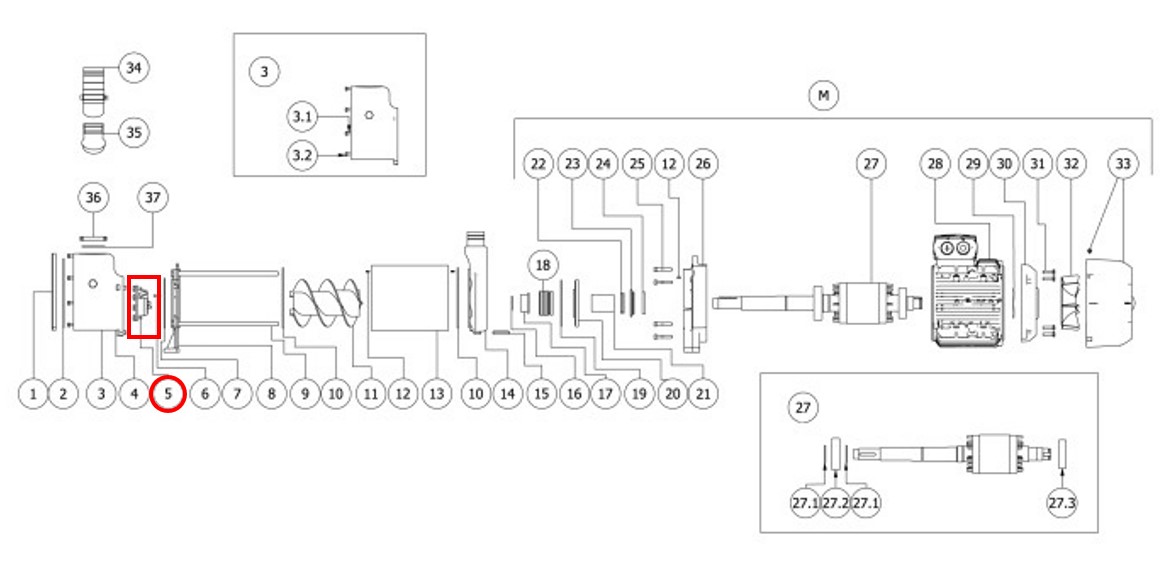
Schematic

Schematic

 

Dallalto
Processing... Please wait.